
| Temperature | -40 ℃~85 ℃ |
| Relative humidity | 5%~95% |
| Altitude | ≤ 5000 m |
| Storage life | 24 Months |
| Moisture sensitivity level | Non-sensitive |
| Static sensitivity level | Non-sensitive |
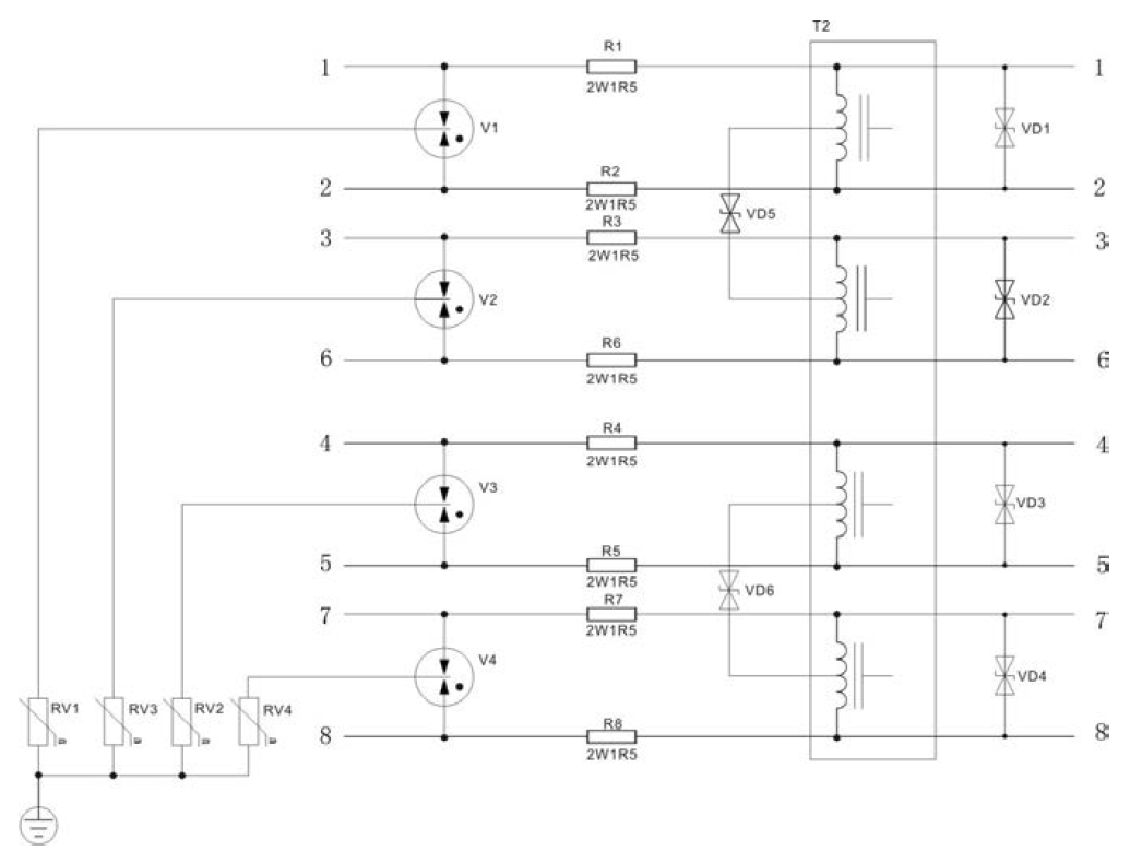
| Model | ZGXT-4R-5P1 | |
| Rated voltage Un | Network:3.3 V POE:48 V DC |
|
| Rated operating current lL (Normal temperature) | 700 mA | |
| Max. continuous operating voltage UC | Network:5 V POE:60 V DC |
|
| Nominal break-over voltage range | -48-RTN | 72 V~100 V |
| Impulse withstand test 1.2/50 μs, 8/20 μs | L-L,L-PE | 2 kV,1 kA |
| Voltage protection level 1.2/50 μs, 8/20 μs | L-L | After 2 μs ≤ 40 V |
| L-PE | After 2 μs ≤ 300 V | |
| Impulse withstand test 10/700 μs Number of impulses: 5 positive + 5 negative |
L-L | 4 kA |
| 8L-PE | 6 kA | |
| Nominal discharge current 8/20μs Number of impulses: 5 positive + 5 negative |
L-L | 1 kA |
| -48-RTN | 2 kA | |
| 8L-PE | 6 kA | |
| Voltage protection level(8/20μs 2kA) | -48-RTN | After 5 μs ≤ 150 V |
| -48、RTN-PE | After 5 μs ≤ 300 V | |
| Protection mode | L-L,L-PE | |
| Overload fault mode | Mode 2 | |
| Transmission rate | 1000 Mbit/s | |
| Insertion loss | ≤ 0.5 dB | |
| Insulation resistance | ≥ 100 kΩ | |
| Connector type | RJ45 Socket | |
| Protected pin | 1、2,3、6,4、5,7、8 | |
| Enclosure | Aluminum profile | |
| Grade of protection | IP20 | |
| Guarantee period | 24 Months | |

